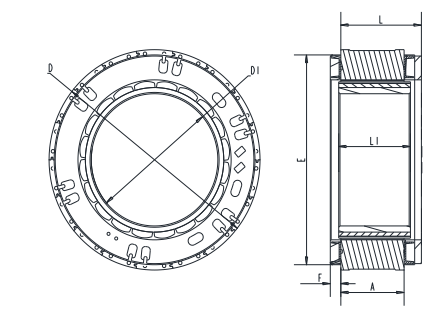
项目(Items) | FL70HSV10 | FL70HSV19 | 公差(Tolerance) |
定子外径D | 69mm | 69mm | ±0.037( js9) |
定子长度L | 23.5mm | 32mm | ±1 |
转子内径D1 | 42mm | 42mm | +0.039/0(H8) |
转子长度L1 | 18mm | 27.5mm | ±0.2 |
灌胶面外圆E | 66mm | 66mm | ±0.2 |
灌胶面高度F | 3.5mm | 3.5mm | ±0.3 |
定子铁芯高度A | 10.5mm | 18.9mm | -0.5/0 |
绕组连接方式( Winding Type ) | 星形 ( Star connection) |
霍尔分布角度( Hall Effect Angle ) | 120度电角度 ( Electrical Angle of 120 degree) |
介电强度( Dielectric Strength ) | 1000VAC/1S |
绝缘电阻( Insulation Resistance ) | 100MΩ, 500VDC |
使用环境( Operation Ambient ) | -20°C ~ +50°C |
绝缘等级(Insulation Class) | Class B |
引出线颜色 Color | 引出线型号 Type | 功能 Functions |
PIN1 | Connector for Hall is optional Type: SM07B-GHS-TB | 热敏 ( NTC2 ) |
PIN2 | 热敏 ( NTC1 ) | |
PIN3 | 霍尔电源负 ( GND ) | |
PIN4 | 霍尔 A ( Ha ) | |
PIN5 | 霍尔 B ( Hb ) | |
PIN6 | 霍尔 C( Hc ) | |
PIN7 | 霍尔电源正 ( Vcc ) | |
黄色 ( Yellow ) | UL1332 AWG20 UL1332 AWG18 | U相 ( Phase U ) |
红色 ( Red ) | V相 ( Phase V ) | |
黑色 ( Black) | W相 ( Phase W ) |
单 位 (Unit) | FL70HSV10-48V-36250 | FL70HSV19-48V-35366 | |
极数 ( Number of poles ) | 20 | 20 | |
相数 ( Number of phases ) | 3 | 3 | |
额定电压 ( Rated voltage ) | VDC | 48 | 48 |
额定转矩 ( Rated torque) | N.m | 0.55 | 1.0 |
额定电流(Rated current) | A | 5.1 | 9.2 |
额定速度 ( Rated speed ) | RPM | 3650 | 3500 |
额定功率 ( Rated power ) | W | 210 | 366 |
最大转速(Maximum speed) | RPM | 4750 | 4500 |
峰值转矩 ( Peak torque ) | N.m | 1.65 | 3.0 |
峰值电流 ( Peak current ) | A | 15.5 | 28 |
线电阻 ( Line to line resistance ) | ohms@20℃ | 0.38 | 0.19 |
线电感 ( Line to line inductance ) | mH | 0.33 | 0.18 |
转矩常数 ( Torque constant ) | Nm/A | 0.118 | 0.12 |
反电势 ( Back EMF ) | Vrms/KRPM | 7.14 | 7.4 |
重量 ( Weight ) | g | 210 | 315 |
电气时间常数(Electrical time constant) | ms | 0.87 | 0.95 |
该款电机可以根据客户需求定制。
The motor can be designed &manufactured with customized request.

Copyright 2023 版权所有 江苏富兴电机技术股份有限公司 苏ICP备05002292号-1